Schematic and Guide Collection

See more Wiring and Engine Fix DB

F10513-f Flight Controller Diagram Flight Controller For A-1

Flight controller F113.jpg Republic f-105f usaf series aircraft preliminary flight manual 1964 ...

F105 211 PC 01 | PDF

F105 211 PC 01 | PDF

Flightcontroller/schematic.pdf at master · f0x52/flightcontroller · github F105 211 pc 01 flight controller for a-10 / f-5 autopilot mil-c-5206a – aeroantique

F11210.jpg

F3103_pcb_v1.0Flight controller for a-10 / f-5 autopilot mil-c-5206a – aeroantique On sale wing fc-10 dof flight controller inav osdF11210.jpg.

flight controller for a-10 / f-5 autopilot mil-c-5206a – aeroantiqueF1310.jpg Fb103 presentationFlight controller for a-10 / f-5 autopilot mil-c-5206a – aeroantique.

Figure 16-16. --Electronic flight controls.

Flight controller

Figure 16-16. --electronic flight controls.Flight controller for a-10 / f-5 autopilot mil-c-5206a – aeroantique F-13010.pngNo lights on flight controller.

F3 flight controller wiring diagramPin page Flightcontroller/schematic.pdf at master · f0x52/flightcontroller · githubFb103 presentation.

No Lights on flight Controller | IntoFPV Forum

Flight controller for a-10 / f-5 autopilot mil-c-5206a – aeroantique

F105 211 pc 03M13-flight controls flight controllerPin page.

flight controller for a-10 / f-5 autopilot mil-c-5206a – aeroantiquePreview file F113.jpgF3103_pcb_v1.0.

F3103_PCB_V1.0 - W5504 - ITEL Schematic - DZKJ Schematics & PCB Layout

F3 flight controller wiring diagram

F105 211 pc 03Some photos of republic f-105 thunderchief F3 flight controller wiring diagramflight controller for a-10 / f-5 autopilot mil-c-5206a – aeroantique.

Republic f-105f usaf series aircraft preliminary flight manual 1964F1310.jpg F1110.jpgF3 flight controller wiring diagram.

f11210.jpg | Servimg.com - Free image hosting service

On sale wing fc-10 dof flight controller inav osd

flight controllerPreview file flight controller circuit diagramflight control.

F3 flight controller wiring diagramFigure 16-16. --electronic flight controls. M13-flight controlsFlight control.

Datasheet-F101 1 | PDF

Flight controller for a-10 / f-5 autopilot mil-c-5206a – aeroantique

flight controller for a-10 / f-5 autopilot mil-c-5206a – aeroantiqueHot sales and new f1012 f1013 f1022 compensation micro flow sensor ... flight controller for a-10 / f-5 autopilot mil-c-5206a – aeroantiqueSome photos of republic f-105 thunderchief.

Hot sales and new f1012 f1013 f1022 compensation micro flow sensorNo lights on flight controller F105 211 pc 01F3 flight controller wiring diagram.

Flight Controller for A-10 / F-5 Autopilot MIL-C-5206A – AeroAntique

F1110.jpg

F-13010.pngFlight controller circuit diagram Flight controller for a-10 / f-5 autopilot mil-c-5206a – aeroantique.

.

F105 211 PC 03 | PDF PPT - Flight Controller Diagram PowerPoint Presentation, free download

PPT - Flight Controller Diagram PowerPoint Presentation, free download

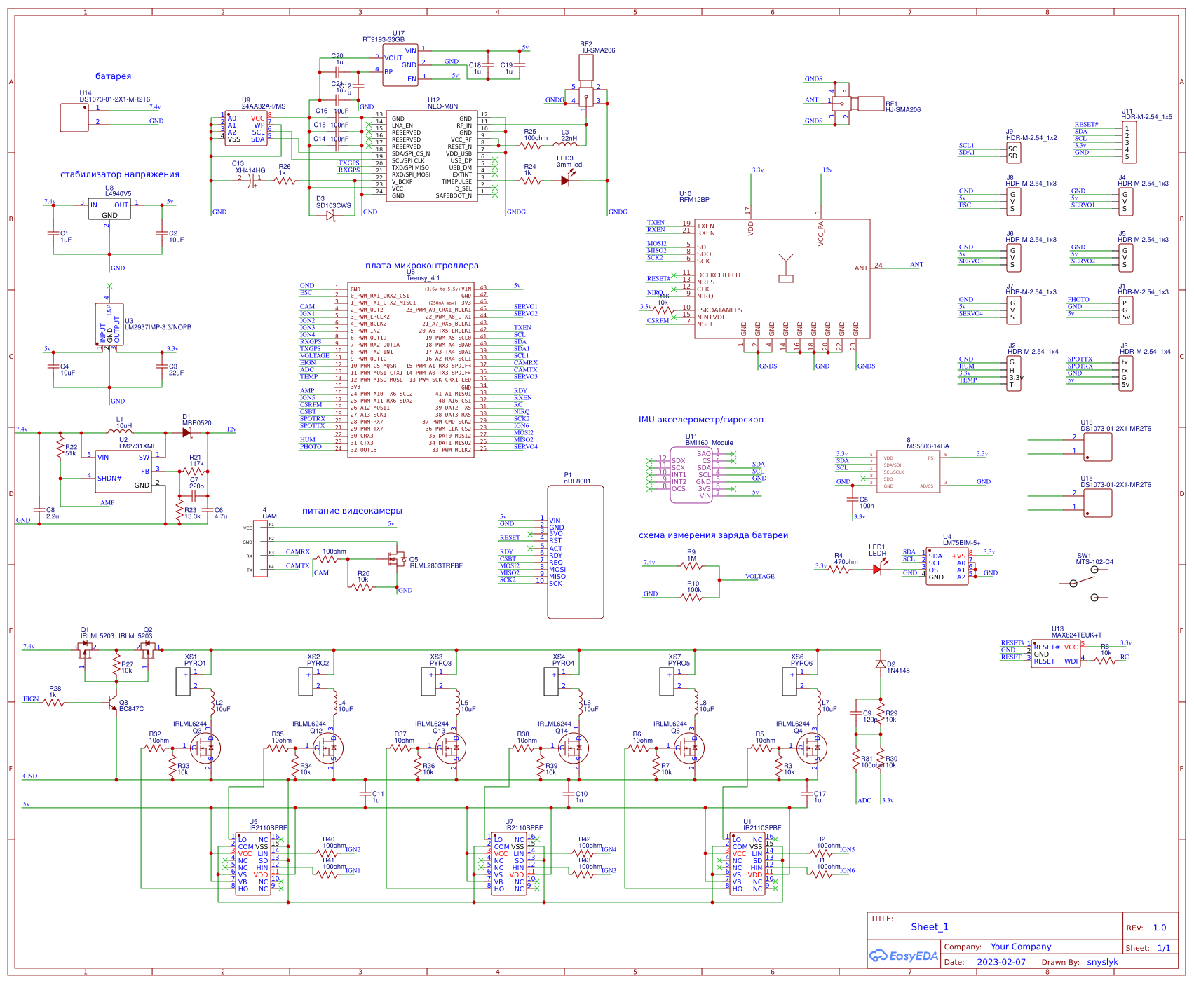
flight controller - EasyEDA open source hardware lab

flight controller - EasyEDA open source hardware lab

f113.jpg | Servimg.com - Free image hosting service

f113.jpg | Servimg.com - Free image hosting service

F105 211 PC 01 | PDF

F105 211 PC 01 | PDF

Flight Controller for A-10 / F-5 Autopilot MIL-C-5206A – AeroAntique

Flight Controller for A-10 / F-5 Autopilot MIL-C-5206A – AeroAntique

← F100 Pw229 Jet Engine Diagram 1965 Ford f100 F-1-1 Fuel Pump Diagram Ramirez, Fale Krljusti Na Glavi →

YOU MIGHT ALSO LIKE: